Практическое применение промежуточных реле в системах автоматизации
Промежуточные реле служат важным элементом в современных системах управления, выполняя две ключевые функции:
- Обеспечивают гальваническую развязку между управляющими и силовыми цепями
- Позволяют управлять мощными нагрузками с помощью слаботочных сигналов
Пример реализации в системе освещения
Типовая схема работы с датчиком движения:
- При обнаружении движения датчик генерирует слаботочный сигнал (обычно 5-24В)
- Этот сигнал активирует катушку промежуточного реле
- Контактная группа реле замыкает цепь питания осветительных приборов
Преимущества такого решения:
- Безопасность: управляющая цепь остается низковольтной
- Гибкость: можно коммутировать нагрузки до 10-16А (в зависимости от модели реле)
- Надежность: защита датчиков от перегрузок
- Универсальность: возможность каскадного подключения нескольких нагрузок
Дополнительные возможности:
- Подключение таймеров для управления продолжительностью освещения
- Интеграция с системами дистанционного управления
- Организация сложных логических схем управления
Такое применение промежуточных реле особенно востребовано в системах «умного дома», промышленной автоматизации и системах безопасности.
Аксессуары для промежуточных реле MEYERTEC MSN: расширение возможностей монтажа
Для удобной и безопасной установки 1-контактных промежуточных реле серии MSN от MEYERTEC предлагаются специализированные комплектующие:
- Монтажные колодки
- Обеспечивают надежную фиксацию реле на DIN-рейке
- Упрощают процесс установки и демонтажа
- Изготовлены из прочного самозатухающего пластика
- Соединительные шины
- Объединяют одноименные контакты нескольких реле
- Сокращают количество монтажных проводов
- Повышают надежность соединений
- Ускоряют процесс коммутации
- Маркировочные пластины
- Позволяют наносить четкие обозначения
- Облегчают идентификацию реле в щите
- Упрощают обслуживание и диагностику
- Изготавливаются из износостойких материалов
- Разделители колодок
- Обеспечивают логичное структурирование реле
- Позволяют группировать устройства по функциям
- Повышают эргономику электрощитового пространства
- Улучшают визуальный контроль за монтажом
Преимущества использования аксессуаров:
✓ Сокращение времени монтажа на 30-40%
✓ Повышение надежности контактных соединений
✓ Упрощение последующего обслуживания
✓ Улучшение организации электрощитового пространства
Все аксессуары сертифицированы и полностью совместимы с реле серии MSN, обеспечивая профессиональный уровень установки и длительную бесперебойную работу.
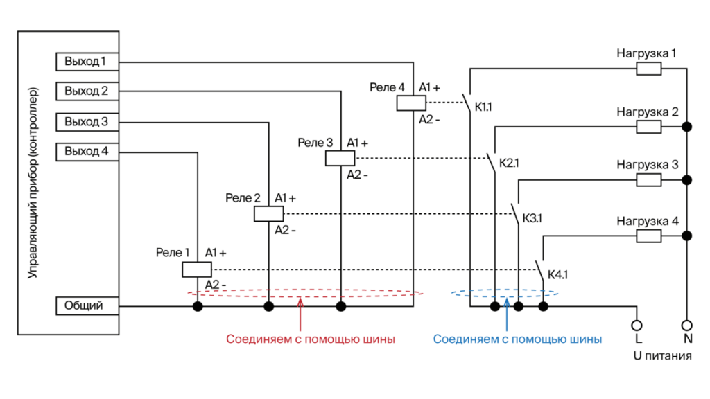
Практический пример применения аксессуаров
Предположим, у вас есть контроллер (ПЛК), который управляет катушками промежуточных реле. Общий вывод контроллера и однотипные контакты в силовой цепи соединены с помощью соединительных шин.
Это решение позволяет избежать прокладки отдельных проводников к каждому контакту или катушке, что значительно упрощает монтаж и улучшает качество соединений.
Для многоконтактных реле предлагаются пластиковые удерживающие зажимы, которые защищают реле от выпадения в условиях вибрации, а также модули LED-индикации, отображающие состояние напряжения питания.
Аксессуары к промежуточным реле не только расширяют их функциональные возможности, но и делают процесс монтажа более удобным и эффективным. Правильный выбор аксессуаров и их применение помогут вам создать надежные и безопасные электрические схемы, независимо от области их применения.





